Ronde 298 van de Onafhankelijke Radioamateurs Brabant “ORB” 16-06- 2010.


* Goedenavond zend, en luisteramateurs, 

U kijkt weer naar de woensdagavond ronde.

En wij proberen u, zoals bij elke ronde weer wat nieuws te brengen. 

Elke éérste dinsdag van de maand is er een “besloten” bijeenkomst van de vriendenkring.  

Deze worden gehouden in het scoutinggebouw van Rey de Carle,

 Bladelstraat 2 in de wijk Reeshof te Tilburg.

Op deze avonden is onze QSL manager aanwezig.

De bijeenkomsten hebben een vriendschappelijk karakter, waar we

Ervaringen kunnen uitwisselen, gewoon gezellig bij elkaar kunnen zijn.

Wat bijkletsen, met af toe een lezing. 

En….Dat willen we graag zo houden.

                   Onze ronde leider is vanavond weer Johan PD2JCW.


 

 

 

 

*NIEUWS:

*Spoken in voormalig RAF station

Dat Engelsen gek zijn op hun spoken mag bekend zijn.

Meestal moeten dat soort verhalen met een flinke korrel zout worden genomen

en zijn de verhalen vooral bedoeld om toeristen te amuseren.

Maar een 70 jaar oude radio in een Schots erfgoedcentrum speelt nog steeds uitzendingen

uit de tweede wereldoorlog, inclusief toespraken van Winston Churchill en muziek van Glen Miller's bigband...

De Pye buizenradio in het Montrose Air Station, een erfgoedcentrum dat het verhaal vertelt

van de mannen en vrouwen die daar gediend hebben,

is niet aangesloten of verbonden met een elektriciteitsbron.

Het gebouw is al bijna een eeuw een bron van paranormale verschijnselen,

waarbij spookachtige figuren gerapporteerd worden,

evenals geheimzinnige voetstappen en deurkrukken die spontaan draaien,

maar de mysterieuze radiouitzendingen laat zelfs de meest sceptische medewerker

van het centrum vergeefs zoeken naar een rationele verklaring.

De historische radio wordt bewaard in een replica van een 940-kamer.

Diverse mensen hebben uitzendingen uit de tijd van de tweede wereldoorlog gehoord,

inclusief het big band geluid van het Glenn Miller orkest en toespraken van Winston Churchill.

De uitzendingen beginnen spontaan en kunnen tot een half uur duren.

Technici die de radio onderzocht hebben, hebben de achterkant verwijderd,

maar daar was niets anders te vinden dan spinnen en spinnewebben.

Bob Sutherland, een medewerker van het air station erfgoed centrum en tevens penningmeester,

zei: "Ik heb de radio Glenn Miller horen spelen en herkende het nummer At Last.

Het volume was erg laag maar de muziek was duidelijk hoorbaar."

Graham Phillip, een andere vrijwilliger, heeft uitzendingen gehoord waarvan hij zeker was

dat het Winston Churchill was en ook anderen, waaronder beheerder Dan Paton en zijn vrouw,

hebben het gehoord.

"Ik ben een radio-operator geweest bij de RAF en weet wel het een en ander van radio's af.

We hebben ook onze lokale radio expert, Ewan Cameron, ernaar laten kijken."

"Als er een sterke zender in de buurt had gestaan, had de radio daar wat van op kunnen pikken.

Maar die is er niet. Het is een oude Pye radio die vermoedelijk zou exploderen

als je er nog spanning op zou zetten."

Mr Phillip zei: "We hebben allemaal voetstappen gehoord en deurkrukken zien draaien,

maar de uitzendingen zijn voor ons nieuw en onverklaarbaar.

Ondanks het lage volume waren de uitzendingen duidelijk waarneembaar."

Het volledige verhaal is te lezen op:
http://news.stv.tv/scotland/tayside/181127-radio-ghost-mystery-at-former-raf-station/

Gelezen op de pi4raz site door nl13349

 

 

*CSS breidt programma uit met Yaesu en Alinco

Creative Services Software bracht al eerder software uit voor ICOM,

maar heeft daar nu Yaesu en Alinco aan toegevoegd.

Deze nieuwe versies komen in het kielzog vande release van het Radio Operations Center SC

voor Icom en Kenwood radio's.

De programma's zijn behoorlijk populair geworden onder amateurs die snel

en gemakkelijk in de lucht willen komen met de digitale modes,

en die maar één programma willen gebruiken daarvoor.
Met een ingebouwd logboek en besturing van de radi,

kunnen de programma's voor alles gebruikt worden,

van rag chewing tot DXing tot contesten tot berichtenverkeer in noodgevallen.
De prijs is $39.95 bij de CSS online store op http://www.cssincorp.com.

Een 30 dagen demo is beschikbaar op de site van CSS.
Yaesu is te vinden op http://www.yaesu.com
Alinco is te vinden op http://www.alinco.com
Creative Services Software is zoals vermeld te vinden op http://www.cssincorp.com

Gelezen op de pi4raz site door pa1pet uit Waalwijk

 

 

*Eerste Noorse 70MHz baken actief

Het allereerste Noorse 70 MHz (4m) baken, LA7VHF, is sinds zondag 6 juni in de lucht

op de frequentie van 70,081 MHz.

De bakenmanager van de Noorse amateurvereniging NRRL, Stefan LA0BY, 

geeft over dit baken de volgende informatie:

Roepnaam: LA7VHF
Locator: JP99LQ (Tromsoe)
Frequentie: 70.081 MHz
Antenne: 4-el. yagi richting 190 graden
Vermogen: 10 W output (ca. 40 W ERP)
Bakenverantwoordelijke: Aasmund Birger Jakobsen, LA5TFA

Het baken staat momenteel nog op het QTH van eigenaar LA5TFA.

Het is de bedoeling om het baken onder te brengen bij het 2m baken LA7VHF en het 6m baken LA7SIX.

Ontvangstrapporten zijn zeer welkom en kunnen per email verzonden worden naar la5tfa@online.no

LA5TFA en LA9AKA zullen eveneens spoedig QRV zijn op 70 MHz vanuit JP99.

Norwegian Radio Relay League (NRRL) in Google Engels:
http://tinyurl.com/NorwayNRRL

Maandag 7 juni was er goede sporadische E op 70 MHz. Selim, 2E0EKF,

uit het Engelse Essex werkte met Griekenland en Italië op 70MHz met slechts een paar Watt SSB

in een vertikale rondstraler.

Gelezen op de pi4raz site door pa1pet

 

 

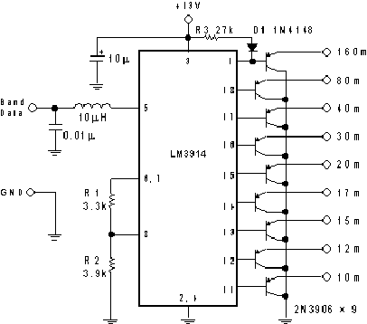
*Banduitlezing voor FT817

Berend PD7BS stuurde me een linkje naar een leuke interface voor de FT817.

Hoewel het totale ontwerp bedoeld is voor het interfacen van de FT817 aan een mij totaal onbekende

lineair type FL-7000, is vooral de analoge banddetectie een interessante schakeling.

Figuur 1 is het interessante stukje schakeling.

Origineel was het voor Icom bedoeld, en maakt gebruik van een IC dat je wel tegenkomt

in analoge LED-VU-meters. Het is een soort analoog-naar-digitaal converter

met externe referentie en stroombron output drivers.

Yaesu gebruikt voor elke band een andere spanning en daar maakt het IC gebruik van.

Image

De decoder gebruikt de spanning van de "BAND DATA" ACC aansluiting op de achterkant van de FT-817.

Deze spanning varieert van 330mV op 160m tot 4V op 70cm (440MHz), in stappen van 330mV/band.

De gebruikte LM3914 is ontworpen als een LED VU-meter voor goedkope consumenten elektronica.

Hij wordt hier gebruikt in "moving dot" mode in plaats van de bar graph mode,

waardoor er maar één uitgang tegelijk aktief is.

Merk op dat er geen weerstanden in de basis van de transistoren zit: de LED driver functioneert

als stroombron welke de benodigde begrenzing van de basisstroom verzorgt.

De basisstroom wordt bepaald door R1 die hier 3.3k is. R2 werkt samen met R1

zodat de LM3914 werkt tot een maximum van 3V wat overeenkomt met de HF-banden.

R3 en D1 compenseren een eigenaardigheid van de LM3914:

de eerste output trekt een paar honderd microamperes zelfs als er andere outputs geselecteerd zijn,

wat genoeg is om de 160m driver een beetje open te sturen.

R3 compenseert dat door een een andere weg voor de stroom te verzorgen.

Mogelijk moet deze waarde iets aangepast afhankelijk van de spreiding in de 3914en,

of afwijkende voedingsspanningen.

Wat kan je er mee doen? Wel, door relais aan te sturen kan je separate bandfilters voor je set inschakelen.

Handig met velddagen of het aansturen van lineairs.

Of gewoon een externe uitlezing maken voor in de shack, zodat in één oogopslag zichtbaar is

op welke band je staat. Creatieve ideeën genoeg.

gelezen op de pi4raz site door pa1pet uit Waalwijk

 

 

 

*Nieuwe Kenwood TS-590S:

In het Duitstalige blad Funk Amateur wordt melding gemaakt van een nieuwe Kenwood HF

plus 50 MHz transceiver.

Kenwood presenteert voor het eerst in Europa tijdens de Ham Radio (25-27 juni 2010) in Friedrichshafen

zijn nieuwe all mode(SSB, CW, AM en FM) transceiver de TS-590S voor HF en 50 MHz.

Optisch wordt het een nagenoeg dezelfde bewezen bedieningsconcept voortzetting als zijn voorgangers.

De nieuwste 32 bit DSP technologie zal garant staan voor uitstekende ontvangsteigenschappen.

Volgens de fabrieksopgave zal de TS-590S over een uitgangsvermogen beschikken van 100 watt voor HF

als ook voor de 6 meterband en zal tevens over

een geïntegreerde antenne tuner beschikken.

Een USB poort biedt een universele aansluiting naar een computer.

Daarnaast is een ruisonderdrukking DSP en een tweekleurig LC-Display aanwezig.

Voor gebruik dient een externe 13,8 volt DC voedingsapparaat.

Daar het apparaat voor het eerst tijdens de Hamvention in Dayton van 14 tot 16 mei

zijn wereldpremière beleefde was tot voor de druk van Funk Amateur

helaas nog geen verdere gegevens beschikbaar.

Bron Funk Amateur juni 2010 PI4GAZ PA3E

 

Nieuwe Kenwood dualband portofoon TH-D72E met APRS:

Tijdens de komende Ham Radio(25-27 juni 2010) in Friedrichshafen wordt ook de nieuwe

Kenwood dualband portofoonTH-D72E met APRS, geïntegreerde GPS ontvanger

en USBaansluiting (mini USB) tentoongesteld. Kenwood is daar te vinden in stand nr. A1-103.

Bron: Funk Amateur juni 2010 PI4GAZ PA3E

 

 

Alinco breedband ontvangertje DJ-X30E:

In het Duitstalige blad Funk Amateur van maart staat op de blz.'n 371 t/m 373

een verslag van de hand van Ulrich DG1NEJ.

Het portofoon ontvangertje heeft een frequentie bereik van 100 kHz tot 1300 MHz

in de modes AM, FM en WFM.

Het ontvanger principe is een drievoudige superhet met als eerste MF voor FM/AM 243,95 MHz,

de tweede MF is 39,15 MHz en de derde MF is 450 kHz.

Voor WFM is de ontvanger van het dubbel superhet principe met als eerste MF 243,95 MHz

en de tweede MF is 10m,7 MHz.

De ontvanger gevoeligheid voor AM is in het frequentie bereik van 0,1 - 50 MHz 0,9 micro volt

en van 50- 1300 MHz is dat 0,5 micro volt.

De selectiviteit (12/35 kHz) -6/-60 dB. In de mode FM is er in het freq. bereik 0,1-30 MHz geen opgave.

Van 30- 470 MHz is de ontvanger gevoeligheid 0,17 micro volt en van 470-1300 MHz is dat 0,45 micro volt.

De selectiviteit (12/35 kHz) -6/-60 dB.

In de mode WFM wordt geen opgave gedaan in het freq.

Bereik van 0,1-76 MHz. Van 76-470 MHz is de gevoeligheid 0,5 micro volt

en van 470-1300 MHz is de ontvanger gevoeligheid 0,7 micro volt.

De selectiviteit (130/300 kHz) bedraagt -6/-60 dB.

In de LG is een raster van 1 kHz aanwezig en voor de MG 9 kHz vast ingegeven.

Als optioneel is een afstand bediening kabeltje (EDS-12)

verkrijgbaar voor ontopvallend gebruik van de ontvanger.

Voor het programmeren is ook een noodzakelijk optioneel kabeltje (ERW-7) verkrijgbaar.

Naast het met VFO in te stellen frequenties zijn er ook 1000 geheugenplaatsen beschikbaar

voor het opslaan van frequenties.

Het laagfrequent uitgangsvermogen bedraagt iets meer dan 100 milliwatt.

De interne voeding bestaat uit 2 AA batterijtjes ook wel mignoncellen genoemd.

Een externe voeding van 6 V DC kan ook extern verzorgd worden.

Het gewicht bedraagt plm. 222gram plus de 55 gram voor de 2 batterijen.

DE afmetingen van het portofoon ontvangertje zijn: 56 x 97 x 30 mm(B x H x D).

Het artikel is rijkelijk voorzien van foto's om een goed beeld te krijgen van het geheel, ook van het inwendige.

Meer info op.www.alinco.com.

Bron: Funk Amateur juni 2010 PI4GAZ PA3E


 

 

Alinco DJ-X11E/T wide band ontvangertje:

Op de Alinco site www.alinco.com wordt melding gemaakt van een portofoontje

met een zeer breed frequentiebereik aangaande de ontvangstmogelijkheden.

Van 0,05-1299,99995 MHz in de modes: AM/FM/WFM/SSB/CW (BFO for SSB/CW receive).

Zie de website voor uitgebreide info. www.alinco.com.

Bron: Funk Amateur juni 2010 PI4GAZ PA3E

 

 

Automatische antenne tuners getest:

In het Amerikaanse blad QST van maart 2010 staat op de blz.'n 47 t/m 52

een test van 3 automatische antenne tuners.

De laatste tijd wordt er in diverse advertenties reclame gemaakt voor een 43 feet

oftewel 1310,64 cm lange verticale multiband antennes.

Deze worden door diverse ondernemers aangeboden c.q. verkocht.

De test wordt uitgevoerd door Phil AD5X die de tuners koppelt aan zijn 43 feet vertical.

Bij dit soort vertikale multiband antennes is tevens een 1:4 balun geleverd

die bij de voet van de antenne wordt geplaatst om naar 50 ohm coaxkabel het geheel aan te passen.

Het artikel richt zich op 3 automatische antenne tuners die maximaal 200 watt kunnen verdragen.

De aut. ant. tuners kunnen buiten geplaatst worden om de antenne op afstand aan de zender aan te passen.

Het betreffen de volgende merken: MFJ-927, CG-3000 en de SGC SG-230 aut. ant. tuners.

Het artikel gaat verder in op de meetmethode die wordt gebruikt.

Van de geteste aut. Ant. Tuners is de volgende tabel samengesteld zodat u een idee hebt hoe e.e.a. aanpast:

       MFJ-927    CG-3000    SG-230

Band     SWR        SWR        SWR

160 m  no tune    no tune     1,4:1

 80     1,3:1      2,0:1      1,4:1

 60     1,0:1      1,2:1      1,2:1

 40     1,0:1      1,2:1      1,2:1

 30     1,5:1      1,1:1      1,5:1

 20     1,5:1      1,3:1      1,0:1

 17     1,2:1      1,5:1      1,4:1

 15     1,1:1      1,3:1      1,9:1

 12     1,2:1      1,7:1      1,8:1

 10     1,2:1      1,9:1      1,3:1

Het bleek dat alle 3 de aut. Ant. Tuner een 'restart' moesten doen als de SWR boven de 2 uitkwam.

Daarbij opgemerkt dat er aardpennen/stangen en 20 radialen werden toegepast

en de schrijver tevens memoreert niet over de perfecte 'aarde' te beschikken.

De MFJ is de kleinste van de drie en is opgenomen in een weersbeschermende behuizing.

Voor een opstelling buiten adviseert de schrijver toch maar een plastic doos er om heen te plaatsen

voor een betere bescherming tegen weersinvloeden.

De MFJ-927 wordt met 12 V DC gevoed via de coaxkabel.

Anders dan de CG-3000 en de SG-230 wordt er door MFJ geen specifieke

minimum antenne lengtes gegeven.

Om de MFJ-927 toch op 160 meter te kunnen laten afstemmen heeft de schrijver een

luchtspoel in serie met de tuner en vertical geplaatst van plm. 30 micro Henry.

De spoel heeft een diameter van 2,5 inch= 6,35 cm en een lengte ook van 2,5 inch = 6,35 cm,

gebruikt is koperdraad 16 AWG = 1,3 mm.

Het geheel in een PVC doos gemonteerd.

Bij gebruik op 80-10 meter wordt de spoel overbrugd met een stukje draad.

Dat overbruggen kan men ook doen door het toepassen van een relais

zodat je niet telkens naar buiten moet lopen maar dat via de relais kontakten kan overbruggen.

Het automatisch afstemmen gebeurt snel, binnen 6 seconde

en wanneer dat in het geheugen is opgeslagen vindt de volgende afstemming

in minder dan 0,2 seconde plaats.

Het minimum vermogen om af te stemmen is 2 watt.

Het afstembereik ligt tussen de 6 en 1600 ohm.

De tuner is voorzien van de connector type SO-239 en de aarde wordt

met een vleugelmoer aan de tuner verbonden.

 Fabrikanten info te zien op: www.mfjenterprises.com

 De SG-300 remote antenna tuner is gemonteerd in een ABSplastic weerbestendige doos.

De bijgeleverde voedingskabel is 12 feet = 3,66 meter lang en voorzien van een vierpolige connector.

De SG-3000 antenne output is een enkelvoudige vleugelmoer verbinding.

SG Antenne specificeert de minimum lengte van 8 meter (26 feet) voor 1,8 tot 30 MHz gebruik,

of 2,4 meter (8 feet) voor 3,5 tot 30 MHz toepassing.

Hiermee wil SG Antenna aangeven dat daarmee van 160 tot en met 10 meter op

de amateurbanden gewerkt kan worden.

Edoch dat blijkt niet op te gaan met een ruim 13 meter verticale antenne.

Wanneer de SG-3000 geen goede SWR kan vinden blijft de tuner continu

zoeken, m.a.w. er is geen 'time out' voorziening ingebouwd.

Minimum vermogen wat de tuner nodigt heet om te kunnen tunen is 10 watt.

Evenals de MFJ-927 kan deze tuner 125 watt continu verdragen.

Fabrikanten site: www.cgantenna.com

 De SGC SG-230 is ook gemonteerd in een ABS plastic weerbestendige doos.

De RF output en power interface gaat door een 4 aderige kabel van 9 feet = 2,74 meter lang.

De RG-58 coax kabel is vast verbonden met de SG-230 aut. ant. tuner.

SGC adviseert een minimum antenne lengte van 7,01 meters =7,01 meter

om van 160 - 10 meter te kunnen werken. 8 feet of 2,44 meters voor 80 - 10 meter.

Deze aut. ant. tuner past de zender binnen een paar seconde aan de 13,11 meter lange vertical antenne

en laat dan een SWR van 1,46 zien met een doorgangs- demping van 2,1 dB (38 procent).

Deze tuner kan 80 watt continu verdragen en stemt de antenne binnen 6 seconden

en binnen 0,2 seconde als de frequentie reeds eerder is vastgelegd evenals de andere 2 tuners.

Zie website:www.sgcworld.com

Alle autmatische antenne tuners behoren met aarde te worden verbonden.

Meer info in genoemde blad QST. PI4GAZ PA3E


 

 

 

*Magnetische antenne voor 8 Hz

Svenne, SM5LE, heeft een ontvanger met ingebouwde antenne voor frequenties rond acht Hz gemaakt.

De antenne is een ring bestaande uit zeer veel windingen van dun koperdraad.

De loop wordt aangesloten aan een gevoelige LF-versterker,

die op zijn beurt is aangesloten aan de audio-ingang van een PC.
Via een reeks programma's kan hij zien wat er de band rond 8 Hz te beleven is.

Bijvoorbeeld, hij kon zien via de magnetische velden van de stoptrein,

wanneer de treinen gingen optrekken,

het fenomeen dat bekend staat als de Schuman-Wave en theoretisch voorspeld is rond het jaar 1950.
Praktische toepassingen zijn het loggen van blikseminslagen op aarde,

mogelijk het voorspellen van aardbevingen

en controle op de temperatuur stijging van de atmosferische lagen van de aarde.

Schumann golven zijn kort beschreven op Wikipedia.

Meer informatie  SSA Artikeltje van SM0FOB    Wiki Schuman-Wave

Bron pa0phb  PA3E


 

 

 

* Franse Special Event stations

Arnault, F4GAJ, zal van 5 tot 19 juni in de lucht komen met de speciale call TM6OVE.

Daarnaast zal Michel, F6IPS, van 4-13 juni QRV zijn als TM66SME tijdens de herdenking van D-Day.
Arnault herdenkt de 'Operatie Overlord', de actie was van de westerse geallieerden

in de tweede wereldoorlog, met als doel het verdrijven van de Duitse bezetter uit Noord-Frankrijk.

Operatie Overlord duurde van 6 juni 1944 (D-Day) tot 25 augustus 1944,

de dag waarop de geallieerden de Franse hoofdstad Parijs bevrijdden.
QSL's voor TM6OVE en TM66SME via het QSL buro.

Meer informatie Online Radio

Bron pa0phb  PA3E


 

 

*Koningin activeert grootste radiotelescoop

BUINEN -  Koningin Beatrix heeft zaterdag met een druk op de knop de grootste radiotelescoop ter wereld,

in het Drentse Buinen, geactiveerd.

De nieuwe telescoop, LOFAR (Low Frequency Array: lagefrequentietelescoop),

is een project van het Nederlands instituut voor radioastronomie ASTRON in Dwingeloo.

De radiotelescoop is gebouwd volgens een nieuw concept.

Hij bestaat niet uit grote schotels, zoals veel andere radiotelescopen, maar uit 25.000 kleine antennes,

verspreid over Nederland, Zweden, Frankrijk en Engeland en het oosten van Duitsland.

De bijeenkomst werd door duizend genodigden bezocht.

Onder hen waren een aantal ambassadeurs en ministers uit Australië,

Nieuw-Zeeland en Zuid-Afrika.

Ook de commissaris van de Koningin van Drenthe Jaques Tichelaar was aanwezig.

In een korte multimediale presentatie hebben wetenschappers,

bestuurders en andere betrokkenen uit de omgeving laten zien wat het belang van LOFAR is.

Een aantal kinderen van de basisschool Burgemeester W.A. Stork in Dwingeloo nodigde

daarop de koningin uit om op de knop te drukken.

Met het verrichten van deze openingshandeling trad zij in de voetsporen van haar moeder,

die in april 1956 de telescoop in Dwingeloo, eveneens met een druk op de knop, in werking stelde.

De LOFAR-opening maakt deel uit van het Internationale SKA Forum 2010,

een week waarin wetenschappers, bedrijfsleven, politici en bestuurders uit de hele wereld samenkomen

in het kader van de plannen voor de volgende generatie radiotelescopen, de Square Kilometre Array (SKA).

Het hele LOFAR-project kost 150 miljoen euro.

Gelezen in de Telegraaf van zaterdag 12-06-2010 door NL13349

 

*Speciale call GB90ZX

In juni is het 90 jaar geleden dat de opera zangeres 'Dame Nellie'

in de eerste professionele radio uitzending op trad.

Dat gebeurde door het radiostation 'MTX', dat opereerde vanuit de New Street fabriek

waar Marconi zijn hoogvermogen zenders produceerde.
Marconi, die er om bekend stond dat hij altijd zeer getalenteerd personeel wist aan te trekken.

Vond dat er tijdens zijn testuitzendingen meer moest gebeuren dat het simpelweg uitzenden

van de tekst 'Dit is MZX in New Street in Chelmsford',

of het voorlezen van het spoorboekje door zijn ingenieurs.

Op de 15de januari 1920, startte men met een half uur programma - meer stond de amateur licentie niet toe

 - van spraak en  grammofoon muziek met gebruik making van een 6 kW zender op 2750 meter.

Enthousiaste rapporten werden ontvangen van luisteraars  2500 km verwijderd.
Daarna werd een professional, Dame Nellie Melba, benaderd.

Die was bereid voor een grote som geld, betaald door de Daily Mail, op te treden.
Op 15 juni 1920 reisde zij per eerste klas trein naar Chelmsford en werd daar afgehaald

met een witte Rolls Royce, naar een lunch, waar op haar verzoek 'licht gekookte kip' werd geserveerd.
Helaas duurde het inregelen van de zender wat langer dan gewenst,

zodat de diva eerst een korte rondleiding over het terrein werd aangeboden.

'Kijk, daar vandaan wordt in de hele wereld naar u geluisterd' vertelde de rondleider,

terwijl hij naar de antenne wees die tussen twee torens van 150 meter hoogte was gespannen.

'Jonge man, als jij denkt dat ik daar in ga klimmen, heb jij het goed mis.

Ik ben Dame Melba' zo schijnt de diva geantwoord te hebben.

Zij gaf enkele optredens van een kwartier, onderbroken door het noodzakelijke bijregelen van de zender.
De volgende paar maanden werden met de uitzendingen doorgegaan,

tot het moment dat de PTT de 'stekker er uit trok'.

Zij veroorzaakten storing op het telegraaf verkeer, zo was de klacht.
De Chelmsford Amateur Radio Society (CARS) wil deze gebeurtenis gedenken met speciale roepletters,

GB90MZX, met een uitzending van het nieuwe Oaklands Museum op 12

en op dinsdag 15 juni van 10 am tot 5 pm.

Gelezen op de pi4raz site door nl13349

 

 

*Radioamateurisme, een gevaarlijke hobby.

De Zuid Afrikaanse radioamateur Greg Roberts, ZS1BI,

is door het Amerikaanse Congres tot staatsgevaarlijk personage verklaard.

Greg, een fervent amateur astronoom, heeft in zijn achtertuin

een optische telescoop staan waarmee hij de hemel afzoekt naar satellieten.
Daarbij ontdekte hij een nieuwe ruimtevaart toestel, waarvan het bestaan onbekend was.

Samen met de hulp van amateurs elders in de wereld werd deze satelliet gevolgd.

Zodoende kon men de baangegevens vaststellen.
Het bleek om de X-37B, een geheime satelliet van de Amerikaanse luchtmacht te gaan.

Het toestel is bijna 9 meter lang en vliegt met een snelheid van ongeveer 30.000 kilometer per uur

in een baan rond de aarde.
Greg heeft al een reputatie opgebouwd van het ontdekken van geheime satellieten

en verwacht nu dat elk moment een groepje in het zwart geklede mannen

een spectaculair einde aan zijn hobby zullen maken.

Gelezen op de pi4raz site door nl13349

Nu de aanvullening op dit artikel is wel in de Engelse taal.

http://www.timeslive.co.za/sundaytimes/article489476.ece/Grandpa-a-threat-to-US-security

Hier van was de leverancier Michel PE1SAY

 

 

*ACTIVE SunSPOT: Een nieuwe zonnevlek is uit gebarsten en het gaat gepaard met zonnevlammen.

Vandaag(13-06-2010) is AR1081 ontketend met een reeks van M-en C-klasse uitbarstingen plus

ten minste een sterke kortegolf radio burst ontdekt door amateur-radio-astronomen

aan de ander zijde van de aarde de Stille Oceaan.

Hoge resolutie films van de zonnevlammen en enkele radio-opnamen van de zonne-radio uitbarsting

kunnen worden gevonden op http://spacewaeter.com
SPACE weeralarm: Wilt u uw telefoon om te zetten in een ruimte weer monitoring systeem?

Aanmelden voor Space Weather PHONE: http://spaceweatherphone.com

Bron http://spacewaeter.com vrij vertaald door PA3E

 

 

 

 

*ZONDAG 19 DECEMBER 2010
Cultureel Centrum “Den Herd” aan het Emmaplein te Bladel
Geopend: 10.00-16.00 uur - Entree € 2,50 - parkeren gratis
Deze radiomarkt is een begrip onder de radiozend- en luisteramateurs 

en vanwege de brabantse gezelligheid al jaren een groot succes. 

Men ontmoet vrienden en bekenden uit de radioamateurwereld en de stands geven je een overzicht 

van oud en nieuw materiaal, van een oude radiobuis tot moderne chips en van antenne tot zender.
Onze radiomarkt is door diverse internetsites uitgeroepen tot meest gezelligste radiomarkt van de Benelux.
Ook dit jaar zullen er weer enkele verenigingen en clubs zichzelf vertegenwoordigen. 

Het radiomuseum Jan Corver, de Aeroclub Bladel en veel meer. 

De markt is zoals elk jaar verdeeld in diverse zalen met als middenpunt de gezellige bar/catering 

welke met het oog op de feestdagen extra gezellig zal zijn aangekleed.
Meer informatie? Benny van de Peppel PD2BRS tel. 06 – 39629365
radiomarkt@pi4kar.net     

Bron Mark PA3HMP

 
 

 

*TOKIO/CANBERRA - Na een reis van zeven jaar is het Japanse ruimtevaartuig Hayabusa 

teruggekeerd op aarde. De sonde kwam zondag neer in de woestijn van Zuid-Australië.

De Hayabusa moest stofdeeltjes opvangen van een asteroïde, 

een brokstuk dat net als de aarde in een baan rond de zon draait. 

Pas als de sonde is geborgen, wordt duidelijk of dat is gelukt.

De sonde kon niet zoals gepland een projectiel op het oppervlak van de asteroïde Itokawa afvuren. 

Mogelijk hebben de motoren van de Hayabusa bij de landing een stofwolk veroorzaakt 

die door de sonde is opgevangen, zo hopen de wetenschappers achter de missie.

Zonnestelsel

Het teruggebrachte monster van de Itokawa moet een beter inzicht geven in het ontstaan 

en de samenstelling van ons zonnestelsel.

Maar ook als de Hayabusa daar niet in is geslaagd, is het een baanbrekende missie geweest. 

Tot het bezoek aan Itokawa was de maan het enige hemellichaam 

waar een ruimtevaartuig was geland en vervolgens was opgestegen.

Bovendien is geen ander ruimtevaartuig ooit zo ver weg geweest en naar de aarde teruggekeerd.

Gelezen op NU.NL door nl13349

*Tekoop kijkt a.u.b. voor meer informatie bij TE-KOOP  

 

*Heeft ook u iets te koop. 

 Of weg te geven of u zoekt iets. 

Misschien hebt u informatie nodig? 

Laat het weten via het ORB e-mailadres wij nemen het dan op in de ronde.

Misschien kan een medeamateur u helpen

*Zo nu zijn we weer aan het einde gekomen van deze 298e ronde. 

Johan PD2JCW,

en onze vast copy leveranciers

wensen u nog een prettige avond verder.

Tot de volgende week. 


Retour ronde